热点关注
高效微纳米气浮污水处理工艺
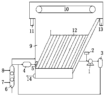
本发明提供一种高效微纳米气浮污水处理装置,涉及污水处理技术领域。该高效微纳米气浮污水处理装置,包括高效气液混合泵、负压流量控制器、微纳米溶气制备器、微涡旋反应器、引发管式溶气释放器、涡旋混合反应器、絮凝剂加药装置、助凝剂加药装置、絮凝微纳米气泡混合反应槽、机械刮渣机、出渣口、斜管聚集澄清器、出水口和排泥排沙口。该高效微纳米气浮污水处理装置,简单实用,自动化程度高,利用泵的入口负压吸附气体,经泵的叶轮进行气液混合,减少溶气时间,提高溶气效率。
权利要求书
1.一种高效微纳米气浮污水处理装置,包括高效气液混合泵(1)、负压流量控制器(2)、微纳米溶气制备器(3)、微涡旋反应器(4)、引发管式溶气释放器(5)、涡旋混合反应器(6)、絮凝剂加药装置(7)、助凝剂加药装置(8)、絮凝微纳米气泡混合反应槽(9)、机械刮渣机(10)、出渣口(11)、斜管聚集澄清器(12)、出水口(13)和排泥排沙口(14),其特征在于:所述高效气液混合泵(1)通过管道分别与负压流量控制器(2)、微纳米溶气制备器(3)和絮凝微纳米气泡混合反应槽(9)连接,所述涡旋混合反应器(6)、絮凝剂加药装置(7)和助凝剂加药装置(8)均通过导管与微涡旋反应器(4)连接,所述微涡旋反应器(4)通过导管与引发管式溶气释放器(5)连接,所述引发管式溶气释放器(5)位于絮凝微纳米气泡混合反应槽(9)内,所述涡旋混合反应器(6)、絮凝剂加药装置(7)、助凝剂加药装置(8)均通过通过导管与絮凝微纳米气泡混合反应槽(9)连接,所述机械刮渣机(10)设置于絮凝微纳米气泡混合反应槽(9)内。
2.根据权利要求1所述的一种高效微纳米气浮污水处理装置,其特征在于:所述出渣口(11)和出水口(13)分别设置于絮凝微纳米气泡混合反应槽(9)两侧,且出渣口(11)和出水口(13)与絮凝微纳米气泡混合反应槽(9)连通。
3.根据权利要求1所述的一种高效微纳米气浮污水处理装置,其特征在于:所述排泥排沙口(14)与絮凝微纳米气泡混合反应槽(9)连通,且排泥排沙口(14)设置于絮凝微纳米气泡混合反应槽(9)的一侧靠近底部。
4.根据权利要求1所述的一种高效微纳米气浮污水处理装置,其特征在于:所述斜管聚集澄清器(12)设置于絮凝微纳米气泡混合反应槽(9)内。
5.根据权利要求1所述的一种高效微纳米气浮污水处理装置,其特征在于:所述斜管聚集澄清器(12)的材质为PP聚丙烯或不锈钢。
6.根据权利要求1所述的一种高效微纳米气浮污水处理装置,其特征在于:所述引发管式溶气释放器(5)是直径为25-32mm的减压直管。
7.根据权利要求1所述的一种高效微纳米气浮污水处理装置的使用方法,其特征在于,包括有如下步骤:
S1、含油污水进入涡旋混合反应器(6),同时絮凝剂加药装置(7)和助凝剂加药装置(8)絮凝、助凝剂药剂投加后,经过涡旋混合反应器(6)高速旋流拉长其药剂分子链结构;
S2、含油污水进入絮凝微纳米气泡混合反应槽(9),向絮凝微纳米气泡混合反应槽(9)内充满水时,启动高效气液混合泵(1),含油污水进入微纳米溶气制备器(3),控制引发管式溶气释放器(5)的控制阀门,使微纳米溶气制备器(3)压力至0.5Mpa;
S3、打开负压流量控制器(2),由高效气液混合泵(1)吸入气液两相混合,通过管道输送至微纳米溶气制备器(3),再进入微涡旋反应器(4)进行微纳米气泡强化混合,经引发管式溶气释放器(5),释放出直径30μm左右的气泡,进入絮凝微纳米气泡混合反应槽(9);
S4、在絮凝微纳米气泡混合反应槽(9)内药剂、微纳米气泡、水中油与污染物进行黏连混合,上浮至微纳米气浮表面由机械刮渣机(10)刮至出渣口(11)排出,经浮选后的水穿过斜管聚集澄清器(12),水中少量未上浮污染物聚结下沉通过排泥排沙口(14)排至污水池,经浮选及斜管聚集澄清器(12)处理后的水10-20%再次进行微纳米溶气制备器(3),其余经负压微纳米溶气气浮处理后由出水口(13)排出,各位置采用管道阀门连接。
说明书
一种高效微纳米气浮污水处理装置
技术领域
本发明涉及污水处理技术领域,特别的为一种高效微纳米气浮污水处理装置。
背景技术
目前在石油开采与炼制生产过程中产生大量含油污水,为了使污水净化后资源化利用或达标外排处置,处理工程中现在不同的浮选与沉降工艺,其中常规正压溶气气浮在除油及悬固体去除方面广泛应用,但我国压力溶气气浮或采用金属结构或钢筋混凝土结构,溶气效果差、回流比高、占地面积达、处理效率低等
现有正压溶气气浮经过空气与水在双重加压条件下混合,通过溶气释放器减压释放出气泡与污水中加入的混凝剂与助凝剂形成絮体相结合上浮至表面,实现水中固体污染物的去除。
现有的传统正压溶气气浮系统由正压溶气系统、药剂混合反应区、浮选分离区、增压泵、溶气罐、溶气释放器,有增压泵将30%浮选后水回流至溶气罐经过压缩空气加压与水溶解混合,污水经投加絮凝剂与助凝剂在混合反应区内形成密实絮体,溶气水经溶气释放器释放大量气泡与水中絮体黏连结合在浮选分离区内结合上浮至表面,由刮渣机排至浮渣槽,经浮选净化后的污水由中下部排出。密度较大泥沙由底部压力排出。
现有传统正压溶气气浮配合相应药剂,可以达到净化污水的效果,但在实际运行过程中存在下述问题:
1、现有正压溶气气浮由循环增压泵增压至0.3-0.5MPa,压缩空气高于泵压后在压力容气罐内溶解混合,由于容器罐内装有填料或特殊结构,污水中矿化度高,污染物多运行时间久后溶气罐内与溶气释放器会结垢堵塞造成溶气效果差降低处理效果。
2、现有气浮装置停留时间长设计回流比高,占地面积大型装置基本为钢筋混凝土结构建设成本高,施工难度大,运营管理不便。
发明内容
本发明提供的发明目的在于提供提供一种高效微纳米气浮污水处理装置,该装置简单实用,自动化程度高,利用泵的入口负压吸附气体,经泵的叶轮进行气液混合,减少溶气时间,提高溶气效率。
为实现以上目的,本发明通过以下技术方案予以实现:一种高效微纳米气浮污水处理装置,包括高效气液混合泵、负压流量控制器、微纳米溶气制备器、微涡旋反应器、引发管式溶气释放器、涡旋混合反应器、絮凝剂加药装置、助凝剂加药装置、絮凝微纳米气泡混合反应槽、机械刮渣机、出渣口、斜管聚集澄清器、出水口和排泥排沙口,其特征在于:所述高效气液混合泵通过管道分别与负压流量控制器、微纳米溶气制备器和絮凝微纳米气泡混合反应槽连接,所述涡旋混合反应器、絮凝剂加药装置和助凝剂加药装置均通过导管与微涡旋反应器连接,所述微涡旋反应器通过导管与引发管式溶气释放器连接,所述引发管式溶气释放器位于絮凝微纳米气泡混合反应槽内,所述涡旋混合反应器、絮凝剂加药装置、助凝剂加药装置均通过通过导管与絮凝微纳米气泡混合反应槽连接,所述机械刮渣机设置于絮凝微纳米气泡混合反应槽内。
进一步的,所述出渣口和出水口分别设置于絮凝微纳米气泡混合反应槽两侧,且出渣口和出水口与絮凝微纳米气泡混合反应槽连通。
进一步的,所述排泥排沙口与絮凝微纳米气泡混合反应槽连通,且排泥排沙口设置于絮凝微纳米气泡混合反应槽的一侧靠近底部。
进一步的,所述斜管聚集澄清器设置于絮凝微纳米气泡混合反应槽内。
进一步的,所述斜管聚集澄清器的材质为PP聚丙烯或不锈钢。
进一步的,所述引发管式溶气释放器是直径为25-32mm的减压直管。
一种高效微纳米气浮污水处理装置的使用方法,包括有如下步骤:
S1、含油污水进入涡旋混合反应器,同时絮凝剂加药装置和助凝剂加药装置絮凝、助凝剂药剂投加后,经过涡旋混合反应器高速旋流拉长其药剂分子链结构。
S2、含油污水进入絮凝微纳米气泡混合反应槽,向絮凝微纳米气泡混合反应槽内充满水时,启动高效气液混合泵,含油污水进入微纳米溶气制备器,控制引发管式溶气释放器的控制阀门,使微纳米溶气制备器压力至0.5Mpa。
S3、打开负压流量控制器,由高效气液混合泵吸入气液两相混合,通过管道输送至微纳米溶气制备器,再进入微涡旋反应器进行微纳米气泡强化混合,经引发管式溶气释放器,释放出直径30μm左右的气泡,进入絮凝微纳米气泡混合反应槽。
S4、在絮凝微纳米气泡混合反应槽内药剂、微纳米气泡、水中油与污染物进行黏连混合,上浮至微纳米气浮表面由机械刮渣机刮至出渣口排出,经浮选后的水穿过斜管聚集澄清器,水中少量未上浮污染物聚结下沉通过排泥排沙口排至污水池,经浮选及斜管聚集澄清器处理后的水10-20%再次进行微纳米溶气制备器,其余经负压微纳米溶气气浮处理后由出水口排出,各位置采用管道阀门连接。
本发明提供了一种高效微纳米气浮污水处理装置。具备以下有益效果:
(1)、该高效微纳米气浮污水处理装置,采用负压吸附式气液混合溶气效率高,保证气体达到过饱和溶解状态,同时可缩小压力溶气罐的体积及溶气所需的时间。
(2)、该高效微纳米气浮污水处理装置,溶气释放器为引发式直管,助推式结构设计节省自然上升时间,可防止堵塞。
(3)、该高效微纳米气浮污水处理装置,通过气浮装置的一体式设置,使得气浮装置具有结构布局合理,结构紧凑,工艺合理等优点,同时由于有涡旋混合器,提高药剂使用效率,节省药剂可达20%以上,从而可以缩短污水处理时间,增加了单元面积的处理能力。
(4)、该高效微纳米气浮污水处理装置,采用微纳米气泡平均直径30μm-50μm,回流比5-20%,处理效率好可节约60%以上占地面积,便于撬装和运输。
- 2021-07-14久马高速生活污水设备操作培训
- 2021-07-14四川交建污水处理技术培训
- 2021-03-31污水药剂搅拌装置及其使用方法
- 2020-10-02集沉砂隔油压榨一体过滤设备
- 2020-09-29市政污水排污管铺设施工系统















电话:028-81291392
手机:18123218647
邮箱:349984202@qq.com